Motor hidráulico BMRY-400 (401,9 cm3/rev) Brida A2, eje del cilindro de 25 mm
Categoría: Motores orbitales
CÓDIGO: BMRY-400
CÓDIGO: BMRY-400
Disponibilidad: Disponible (cantidad: 20)
Consultar entregas
Descripción del Producto
El motor hidráulico BMRY es un motor orbital tipo gerotor fiable, ideal para maquinaria agrícola, industrial y municipal. Destaca por su diseño compacto, fácil instalación y alta resistencia al desgaste. Disponible en varios desplazamientos (de 50 a 400 cm³), con diversas opciones de eje, brida y conexiones.
Los motores BMRY son totalmente compatibles con modelos de marcas como:
Danfoss OMR , M+S BMR , SMR , White WD , Eaton Char-Lynn H , BMP , OMP , SMP , EMP .
BMRY es un excelente repuesto, que ofrece alta calidad a un precio atractivo. ¡Elija una solución probada para su máquina!
Aplicaciones: cepillos hidráulicos, transportadores, esparcidores, equipos de perforación, cabrestantes, maquinaria de construcción y muchas más.
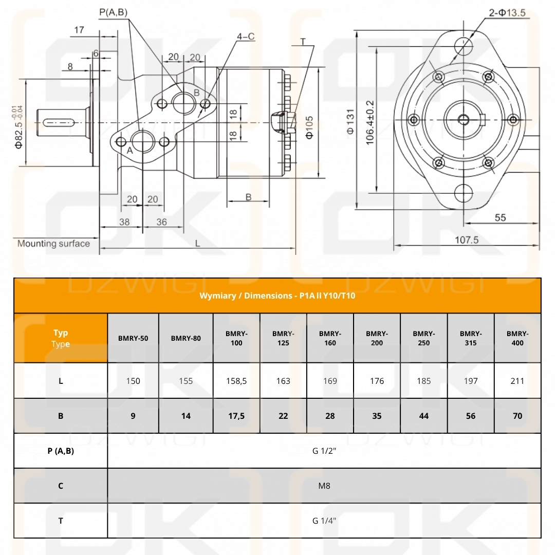
Por favor, verifique las dimensiones del motor correspondientes al volumen de trabajo indicado.
*Eje P41 = P1
Schemat
Características del producto
- Producent: Zihyd
- Serie de motores: BMRY
- Volumen de trabajo: 401,9 cm3/obr
- Dirección de giro: Bidireccional
- Max. presión de trabajo (continua): 100 bar
- Caudal máximo (continuo): 60 l/min
- Tipo de brida: 106,4 mm, 2 pernos
- Espaciado de los orificios de montaje: 106,4 mm
- Diámetro de centrado: 82,5 mm
- Tipo de rodillo: Cilíndrico ø25 mm
- Puerto de presión: G 1/2"
- Puerto de succión: G 1/2"
- código de comparación: P1AⅡY10/T10, P41AIIY10/T10, BG EC25 400, MR 400 CD, MR 400, MR400CD, MR400, 1.37.11.400, 11186714
Documentos
Productos relacionados
Silnik hydrauliczny orbitalny WMR 400 cm3/obr (70 bar / max.110 bar) Waryński
Disponibilidad: Disponible
(cantidad: 4)
, 2 dni
neto: 437,49 PLN
Silnik hydrauliczny orbitalny wzmacniany WMR-S 400 cm3/obr (100 bar / max.140 bar) Waryński
Disponibilidad: Disponible
(cantidad: 1)
, 2 dni
neto: 462,49 PLN







Dane techniczne en zh
