Гидравлический шестеренчатый насос CESSNA 26004RZJ/24303RAD
Категория: ОК Белый
КОД: WH 5C1/26004RZJ
КОД: WH 5C1/26004RZJ
Наличие: Временно отсутствует
Уведомьте меня о наличии
Проверить поставки
Описание продукта
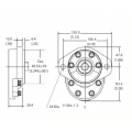
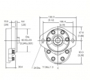
Шестеренчатый гидравлический насос CESSNA 26004RZJ/24303RAD
Дело: 1830
Характеристики товара
- Рабочий объем: 10,8 cm3/obr
- Направление поворота: Верно
- Максимум. рабочее давление (постоянное): 210 bar
- Центрирующий диаметр: 82,5 mm
- Тип ролика: Шлиц - 9 зубцов
- Тип фланца: SAE "A", 2 болта
- Тип насоса: Зубчатый
- Код сравнения: 26004 RZJ, 26004-RZJ, 24303RAD, 1830




















